


缸徑/mm |
金屬罩K |
缸徑/mm |
革制品或帆布罩K
|
φ32 |
1/3 |
φ32 |
1/2 |
φ40、φ50 |
1/3.5 |
φ40、φ50 |
1/2.5 |
φ63~φ100 |
1/4 |
φ63~φ100 |
1/3 |
φ125~φ200 |
1/5 |
φ125、φ140 |
1/3.5 |
φ224、φ250 |
1/6 |
φ125~φ200 |
1/4 |
φ224、φ250 |
1/4.5 |
缸徑/mm |
32 |
40 |
50 |
63 |
80 |
100 |
125 |
140 |
150 |
160 |
180 |
200 |
224 |
250 |
|
X |
B |
45 |
45 |
45 |
55 |
55 |
55 |
65 |
65 |
65 |
65 |
65 |
65 |
80 |
80 |
C |
|||||||||||||||
WW |
B |
40 |
50 |
63 |
71 |
80 |
100 |
125 |
125 |
140 |
140 |
160 |
180 |
180 |
200 |
C |
- |
50 |
50 |
63 |
71 |
80 |
100 |
125 |
125 |
125 |
125 |
140 |
160 |
180 |
|

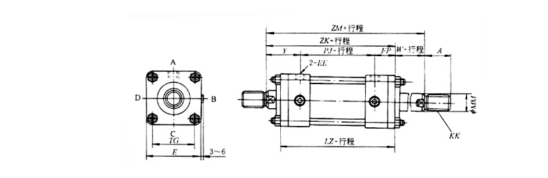
缸徑 |
B型桿 |
C型桿 |
E |
EE |
FP |
LZ |
PJ |
TG |
Y |
W |
ZK |
ZM |
||||
A |
KK |
φMM |
A |
KK |
φMM |
|||||||||||
32 |
25 |
M16×1.5 |
18 |
□58 |
38 |
166 |
90 |
□38 |
68 |
30 |
196 |
226 |
||||
40 |
30 |
M20×1.5 |
22.4 |
25 |
M16×1.5 |
18 |
□65 |
38 |
166 |
90 |
□45 |
68 |
30 |
196 |
226 |
|
50 |
35 |
M24×1.5 |
28 |
30 |
M20×1.5 |
22.4 |
□76 |
42 |
182 |
98 |
□52 |
72 |
30 |
212 |
242 |
|
63 |
45 |
M30×1.5 |
35.5 |
35 |
M24×1.5 |
28 |
□90 |
46 |
194 |
102 |
□63 |
81 |
35 |
229 |
264 |
|
80 |
60 |
M39×1.5 |
45 |
45 |
M30×1.5 |
35.5 |
□110 |
56 |
222 |
110 |
□80 |
91 |
35 |
257 |
292 |
|
100 |
75 |
M48×1.5 |
60 |
60 |
M39×1.5 |
45 |
□135 |
58 |
232 |
116 |
□102 |
98 |
40 |
272 |
312 |
|
125 |
95 |
M64×2 |
75 |
75 |
M48×1.5 |
56 |
□165 |
67 |
264 |
130 |
□122 |
112 |
45 |
309 |
354 |
|
140 |
110 |
M72×2 |
80 |
80 |
M56×2 |
63 |
□185 |
69 |
276 |
138 |
□138 |
119 |
50 |
326 |
376 |
|
150 |
115 |
M76×2 |
85 |
85 |
M60×2 |
67 |
□196 |
71 |
288 |
146 |
□148 |
121 |
50 |
338 |
388 |
|
160 |
120 |
M80×2 |
95 |
95 |
M64×2 |
71 |
□210 |
74 |
304 |
156 |
□160 |
129 |
55 |
359 |
414 |
|